浙江江能建设有限公司
MK(中国)
关注微信
|
OA登陆
中文版
| English
首页
关于江能
工程项目
水利水电工程
机电工程
电力工程
运维工程
新闻中心
公司新闻
行业动态
江能教育
企业文化
招贤纳士
用人理念
招聘信息
MK(中国)
新闻中心
全部
公司新闻
行业动态
江能教育
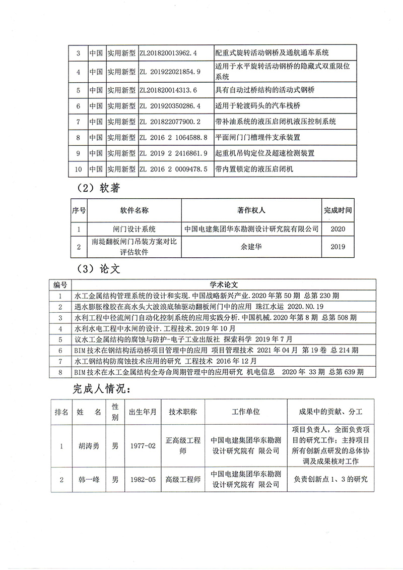
关于“超强台风入海口水工钢结构关键技术及工程应用”的公示
发布日期:2021-05-20
上一篇:
夏日炎炎,情系员工——公司领导走访一线送清凉
下一篇:
大咖云集,首届“数字赋能、智慧管理”泵闸站技术与管理高峰论坛 在杭举办
乐动在线
|
乐动官方网页版
|
华体网页版
|
开云手机登录入口
|
华体app·平台(中国)官方下载
|
开云在线注册
|
开云网页版
|
乐鱼电竞(China)官方网站
|
球速体育平台
|